Высокоскоростные комбинированные подшипники
ЗАПРОСИТЬ

ДЕТАЛИ


Описание продукта
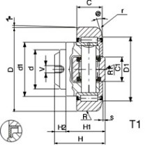
Комбинированные подшипники FOS особенно подходят для колонн подъемников грузовиков и всех других систем транспортировки, которым требуются профили. Они могут выдерживать нагрузку как в осевом, так и в радиальном направлении одновременно. Благодаря оптимизированной конструкции можно сэкономить монтажное пространство, а использование также простое: достаточно приварить шарнир к монтажной пластине, и нет необходимости разбирать весь комплект. Радиальные подшипники особенно подходят для систем автоматизации и сдвига, которым не требуются большие осевые нагрузки, и они производятся из комбинированных подшипников и сохраняют те же особенности конструкции.

В соответствии с требованиями заказчика внешняя поверхность может быть плоской, корончатой и другой специальной. Благодаря оптимальной конструкции и высококачественному материалу комбинированные подшипники FOS могут выдерживать большие нагрузки и ударные нагрузки, а также имеют длительный срок службы. Комбинированные подшипники FOS разработаны для легкой установки и обслуживания. Специальная система смазки позволяет легко и надежно повторно смазывать. MBY производит весь ассортимент комбинированных подшипников как стандартной, так и нестандартной конструкции. Более того, мы можем разработать комбинированные подшипники в соответствии с вашим применением, образцом или чертежом. Инженерное проектирование и помощь в применении MBY являются частью наших услуг с добавленной стоимостью.

FOS Bearing Group может поставлять серии комбинированных подшипников:
Стандартные комбинированные подшипники
Регулируемые комбинированные подшипники
Комбинированные подшипники для стандартных профилей "I"
Регулируемые комбинированные подшипники для тяжелой промышленности
Комбинированный подшипник JUMBO
Регулируемые комбинированные подшипники с эксцентриковым штифтом
Высокоскоростные комбинированные подшипники
Регулируемые комбинированные подшипники с винтом
Регулируемые комбинированные подшипники с пластиковым осевым роликом
Регулируемые комбинированные подшипники для сталелитейной промышленности
Стандартные радиальные подшипники
Прецизионный радиальный подшипник

20231023180426204.png